泄压持压阀水力控制阀
500X泄压/持压阀主要用于消防或其他供水系统中,以防止系统超压或维持消防供水系统的压力。消防泵关闭后还可以减小水锤的冲击。也用于大型供水系统的水锤装置。并且阀门控制系统的进口处装有一个清洁滤网,利用流体特性,使比重较大、直径较大的悬浮颗粒不会进入控制系统,确保系统循环畅通无阻,使阀门能安全可靠地运行。系统动作平稳、强度高、使用寿命长。
结构特点和用途
500X泄压/持压阀由主阀、泄压/持压导阀针阀、球阀、微形过滤器和压力表组成水力控制接管系统。利用水力自动操作,即可以作泄压阀用又可作持压阀用。作泄压阀用时,可维持供水路压力在设定的安全值之下;做持压阀用,可维持主阀上游水压在设定值之上,保持主阀上游供水压力。
本产品利用水力自力控制,不需要其它装置和能源,保养简便,一阀多用。
本系列阀门产品广泛用于高层建筑、生活区等供水管网系统及城市供水工程。
工作原理
1、作泄压阀:当泄压/持压导阀调整为泄压状态时,水通过针阀、主阀控制室、球阀A、泄压/持压导阀、球阀B流向出口,此时主阀处于开启状态。当进口压力超过泄压/持压导阀设定的安全值时,泄压导阀会自动开启,通过球阀C放出部分水,使管路泄压。当压力恢复到安全值时,泄压阀自动关闭。作泄压阀时,各球阀常开。
2、作持压阀:当泄压/持压导阀调整为持压状态时,只要主阀进口水压低于导阀设定值,导阀即关闭。主要控制室升压,主阀关闭。当主阀上游供水压力超过导阀设定压力时,持压导阀才能打开,控制室的水经球阀排至出口,控制室降压主阀开启,开始供水,即保持了上游水压。作持压阀用时,球阀C常闭或用丝堵换下。
公称压(Mpa)
壳体试验压力(MPa)
密封试验压力(MPa)
适用介质
介质温度(℃)
1.0
1.5
1.1
水
0-80
1.6
2.4
1.76
2.5
3.75
2.75
零件名称
零件材料
阀体 阀盖
WCB
阀座 阀盘
铜合金
密封圈 O型圈
丁腈橡胶
阀杆
2Cr13
弹簧
50CrVA
针型阀
铜合金
球阀
铜合金
浮球阀
铜合金
微型过滤器
不锈钢
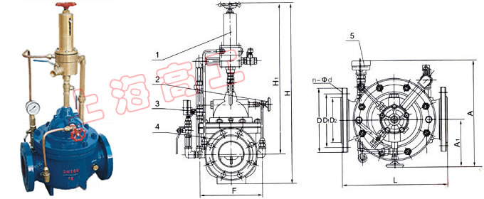
部件列表:
1、导阀2、针阀3、球阀4、主阀5、压力表
产品外形尺寸图

| DN | L | A | A1 | H | H1 | F | D mm |
D1 mm |
D2 mm |
n-Φd | ||||||||
| mm | mm | mm | mm | mm | mm | PN1.0 | PN1.6 | PN2.5 | PN1.0 | PN1.6 | PN2.5 | PN1.0 | PN1.6 | PN2.5 | PN1.0 | PN1.6 | PN2.5 | |
| 20 | 180 | 330 | 130 | 550 | 460 | 116 | 105 | 105 | 105 | 75 | 75 | 75 | 58 | 58 | 56 | 4-13.5 | 4-13.5 | 4-14 |
| 25 | 180 | 330 | 130 | 550 | 460 | 116 | 115 | 115 | 115 | 85 | 85 | 85 | 68 | 68 | 65 | 4-13.5 | 4-13.5 | 4-14 |
| 32 | 180 | 330 | 130 | 550 | 460 | 116 | 140 | 140 | 140 | 100 | 100 | 100 | 78 | 78 | 76 | 4-17.5 | 4-17.5 | 4-18 |
| 40 | 240 | 345 | 135 | 610 | 516 | 170 | 150 | 150 | 150 | 110 | 110 | 110 | 88 | 88 | 84 | 4-17.5 | 4-17.5 | 4-18 |
| 50 | 240 | 345 | 135 | 610 | 516 | 170 | 165 | 165 | 165 | 125 | 125 | 125 | 102 | 102 | 99 | 4-17.5 | 4-17.5 | 4-18 |
| 65 | 250 | 355 | 140 | 625 | 520 | 180 | 185 | 185 | 185 | 145 | 145 | 145 | 122 | 122 | 118 | 4-17.5 | 4-17.5 | 8-18 |
| 80 | 285 | 360 | 146 | 645 | 538 | 210 | 200 | 200 | 200 | 160 | 160 | 160 | 133 | 133 | 132 | 8-17.5 | 8-17.5 | 8-18 |
| 100 | 360 | 400 | 156 | 750 | 596 | 275 | 220 | 220 | 235 | 180 | 180 | 190 | 158 | 158 | 156 | 8-17.5 | 8-17.5 | 8-22 |
| 125 | 400 | 420 | 170 | 808 | 655 | 310 | 250 | 250 | 270 | 210 | 210 | 220 | 184 | 184 | 184 | 8-17.5 | 8-17.5 | 8-26 |
| 150 | 455 | 435 | 186 | 864 | 710 | 355 | 285 | 285 | 300 | 240 | 240 | 250 | 212 | 212 | 211 | 8-22 | 8-22 | 8-26 |
| 200 | 585 | 480 | 206 | 1135 | 805 | 460 | 340 | 340 | 360 | 295 | 295 | 310 | 268 | 268 | 274 | 8-22 | 12-22 | 12-26 |
| 250 | 650 | 530 | 226 | 1185 | 855 | 500 | 395 | 405 | 425 | 350 | 355 | 370 | 320 | 320 | 330 | 12-22 | 12-26 | 12-30 |
| 300 | 800 | 575 | 246 | 1325 | 955 | 580 | 445 | 460 | 485 | 400 | 410 | 430 | 370 | 370 | 389 | 12-22 | 12-26 | 16-30 |
| 350 | 860 | 620 | 275 | 1385 | 990 | 640 | 505 | 520 | 555 | 460 | 470 | 490 | 430 | 430 | 448 | 16-22 | 16-26 | 16-33 |
| 400 | 960 | 635 | 286 | 1445 | 1030 | 715 | 565 | 580 | 620 | 515 | 525 | 550 | 482 | 482 | 503 | 16-26 | 16-30 | 16-36 |
| 450 | 1075 | 665 | 320 | 1325 | 905 | 780 | 615 | 640 | 670 | 565 | 585 | 600 | 532 | 550 | 548 | 20-26 | 20-30 | 20-36 |
| 500 | 1075 | 695 | 348 | 1430 | 960 | 830 | 670 | 715 | 730 | 620 | 650 | 660 | 585 | 585 | 609 | 20-26 | 20-33 | 20-36 |
| 600 | 1230 | 720 | 372 | 1565 | 1020 | 920 | 780 | 840 | 845 | 725 | 770 | 770 | 685 | 685 | 720 | 20-30 | 20-36 | 20-39 |
| 700 | 1650 | 770 | 422 | 1755 | 1160 | 980 | 895 | 910 | 960 | 840 | 840 | 875 | 800 | 800 | 820 | 24-30 | 24-36 | 24-42 |
| 800 | 1750 | 805 | 458 | 2230 | 1515 | 1050 | 1015 | 1025 | 1085 | 950 | 950 | 990 | 905 | 905 | 928 | 24-33 | 24-39 | 24-48 |
安装示意图
结构图



如需与实物相吻合的性能参数、结构尺寸参数等详情请来电来函索取。
电话:021-6364 2222 传真:021-6364 9384

高工阀门样本
BY电动执行器
高工调节阀样本
高工安全阀样本










