CARX 复合式排气阀
本产品用于管路上的最高点或有闭气的地方,排除管内的气体来疏通管道,达到正常工作,如不装排气阀,管内流动的液体产生动热引起气体,形成短路,使管道出水容量达不到要求,其次,管道运转时出现停电、停泵管道会出现负压力,而会引起管道振动或破裂,排(吸)气阀就迅速把空气吸入管内,防止管道振动或破裂。
作用原理
当管内开始注水时,塞头停留在开启位置,进行大量排气,当空气排完时,阀内积水浮球被浮起,传动塞头至关闭位置,停止大量排气;当管内水正常输送时,如有少量空气聚集在阀内到相当程度,阀内水位下降,浮球随之下降,此时空气则由小孔排出。当抽水机停止,管内水流空时,或遇管内产生负压时,此时塞头开启,吸入空气确保管线安全。
结构与用途
本阀为圆桶状式阀体,共内部主要有不锈钢浮球及塞头。
本阀装设于泵埔出口处或送配水管线中,用以大量排除管道中的集结之空气,以增进水管及抽水机使用效率,且与管内一旦出现负压时,此阀能迅速吸入空气,以保管线因负压所产生损坏。
本阀装设于泵埔出口处或送配水管线中,用以大量排除管道中的集结之空气,以增进水管及抽水机使用效率,且与管内一旦出现负压时,此阀能迅速吸入空气,以保管线因负压所产生损坏。
技术参数
1.介质:清水
2.温度:常温
3.阀体:灰铸铁HT200
4.浮球与塞头:不锈钢
5.密封材料:丁晴橡胶
6.阀体试验打压:1.5mpa
7.浮球、密封试验打压:0.05-1.1MPA不漏水
2.温度:常温
3.阀体:灰铸铁HT200
4.浮球与塞头:不锈钢
5.密封材料:丁晴橡胶
6.阀体试验打压:1.5mpa
7.浮球、密封试验打压:0.05-1.1MPA不漏水
零件材质
|
序 号
|
名 称
|
材 质
|
|
1
|
阀 体
|
HT200
|
|
2
|
阀 盖
|
HT200
|
|
3
|
浮 球
|
SUS 304
|
|
4
|
杠杆架
|
铸铜ZH59
|
|
5
|
杆
|
铸铜ZH59
|
|
6
|
塞 头
|
丁睛橡胶NBR
|
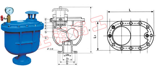
主要外形及连接尺寸
|
型 号
|
公称通径
DN(mm) |
尺 寸(mm)
|
||||||
|
H
|
L
|
L1
|
D
|
D1
|
D2
|
z-φd
|
||
|
CARX-1.0
CARX-1.6 |
20
|
375
|
290
|
180
|
105
|
75
|
55
|
4-12
|
|
25
|
375
|
290
|
180
|
115
|
85
|
65
|
4-14
|
|
|
50
|
480
|
360
|
205
|
160
|
125
|
100
|
4-14
|
|
|
80
|
520
|
405
|
245
|
195
|
160
|
135
|
4-18
|
|
|
100
|
530
|
405
|
245
|
215
|
180
|
155
|
4-18
|
|
CARX复合式排气阀每小时排气量表
|
规格DN
|
25
|
50
|
80
|
100
|
150
|
200
|
250
|
300
|
350
|
400
|
|
立方米/小时
|
2-88
|
85-352
|
22-904
|
34-1413
|
76-3179
|
135-8831
|
212-8831
|
305-12717
|
415-17309
|
542-22608
|
结构图
温馨提示:“CARX 复合式排气阀”所有文字、数据、图片均只适用于参考。
如需与实物相吻合的性能参数、结构尺寸参数等详情请来电来函索取。
电话:021-6364 2222 传真:021-6364 9384
如需与实物相吻合的性能参数、结构尺寸参数等详情请来电来函索取。
电话:021-6364 2222 传真:021-6364 9384

高工阀门样本
BY电动执行器
高工调节阀样本
高工安全阀样本





